第06版:综合新闻
 
 
 
2012年7月20日 星期
下一篇 4  
放大 缩小 默认
害虫太“嚣张” 杨树成“光杆”
专家称对庄稼危害不大,入夏持续高温干旱、树种单一、生态脆弱是主因
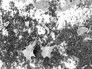
地上满是枯黄的杨树叶残片以及黑色颗粒状的害虫排泄物
龙源中路路旁的杨树只剩下光秃秃的枝条

  □晚报记者 张劲松 文/图

  

  近期,周口市区多位市民拨打本报新闻热线反映,称杨树害虫十分“嚣张”,已将大片的杨树树叶啃食殆尽,只剩光秃秃的枝条,杨树上以及杨树附近居民的墙上、线杆上、地上,甚至厨房、卧室里都有虫子的身影。

  7月18日、19日两天,记者在七一东路、滨河东路、龙源中路、建设大道东段等处的杨树林看到,遭受虫害侵袭的杨树林,绿叶已不复存在,剩下的是光秃秃的枝条。市民惊呼,这些杨树害虫吃完杨树树叶,会不会再吃庄稼?究竟应该怎样防治?

  对此,市林业局森保工程师叶如意称,杨树害虫虽对庄稼没有太大危害,但不可任其发展,要想取得好的防治效果,广大林农必须积极行动起来,群防群治,才能在很大程度上消灭它们。

  

  害虫“嚣张” 

  成片杨树成“光杆”

  

  在七一路黄滩行政村王庄自然村,记者看到这里的杨树树叶几乎被虫吃光,只剩下光秃秃的枝条,树上、墙上、线杆上、地上,处处都有杨树害虫在爬动。市民单女士说:“我今年50多岁了,还没有见过杨树害虫这么厉害呢!”说话间,单女士把记者带到她家,一进门,记者就看到她家墙上、门口爬满了杨树害虫,“这可咋办呀!这么多的杨树害虫,小孩看见害怕,大人看着恶心,房间里爬的哪儿都是,简直让人吃不下饭。”单女士的邻居王先生告诉记者,他家连厨房、床上都爬满了杨树害虫,有时,虫子爬到小孩身上,闹得孩子皮肤过敏。“杨树叶吃完后,这些害虫不吃庄稼吗?到那时可该咋办呀?”单女士叮嘱记者,一定要为村民想想办法,看采取什么措施才能消灭这些杨树害虫。

  在滨河东路两侧,记者看到路旁的成排杨树树叶消失得无影无踪,树干上爬满了虫子,有的虫子还利用吐出的丝荡起了秋千。记者观察发现,这些虫子有黄、绿、黑等颜色,最长的有6厘米,犹如铁丝粗细。“你瞅瞅树上爬的都是这种虫子,有的都吐丝了。树叶都吃光了,啥也没有了。”附近村民黄秀芝愁容满面地说:“这大片的杨树树叶几天就被虫子吃光了,太厉害了。”采访中,村民们又是焦急又是无奈,急的是想赶紧治治虫害,无奈的是,不知道怎样防治,况且大片大片的虫害,要单靠某一家单独治理,恐怕效果也不会好。“不知道该咋弄,愁人!万一殃及庄稼就更糟了。”

  在龙源路沙河与颍河交汇处附近以及龙源中路附近,记者看到,路旁的绝大部分杨树树叶都被害虫啃光。“睡觉时都能听到虫吃树叶时哗哗的响声,没几天,这些树只剩下枝桠了!”附近村民徐先生说。记者在杨树林中行走,随时都有虫子落在身上,地面满是枯黄的杨树叶残片,黑色颗粒状的害虫排泄物几乎铺满地面。

  采访中,记者还看到建设大道贾鲁河桥桥北一带,建设大道周口人民广播电台向东、周口大道文昌大道交叉口向北、太昊路到开元大道之间的中州大道路西等路段的杨树树叶几乎被虫子吃光了……

  高温干旱

  虫害易在我市爆发成灾

  

  据市林业局森保工程师叶如意介绍,杨树是我市的主要造林树种,占全市造林面积的80﹪以上。近几年,杨小舟蛾、杨扇舟蛾、杨白潜蛾等食叶害虫对杨树的危害逐年加重,严重影响了树木的正常生长。每年的6至8月为虫害高峰期。今年虫害爆发的主要原因是,去冬今春我市未出现有效低温,越冬害虫成活率高,入夏以来,持续高温干旱,十分利于杨树食叶害虫的繁殖生长,加之我市树种单一,生态系统脆弱,杨树食叶害虫易在我市爆发成灾。

  叶如意介绍,杨树食叶害虫每年在我市发生4代,当前正是第三代幼虫期,七八月份是杨树食叶害虫的危害盛期。由于往年我市林农认识不到位,缺乏防治,林业经营粗放,多年积累,造成越冬害虫虫源较多。再者,每年6月中下旬为防治杨树害虫的最佳时期,可今年6月下旬至7月上旬天气连阴,错过了最佳防治时间,这间接上也“帮助”了害虫的生长。另外,我市杨树害虫的天敌少,也是杨树害虫成灾的一个因素。

  

  虫害成灾  

  影响杨树生长,对庄稼危害不大

  

  杨小舟蛾、杨扇舟蛾、杨白潜蛾等杨树食叶害虫在我市每年发生4代,以蛹越冬。来年4月中旬开始羽化,5月上旬第一代幼虫开始出现,第二代幼虫出现于6月中下旬至7月上旬,第三代幼虫发生于7月下旬至8月上旬,第四代幼虫于9月上、中旬发生,危害至10月底化蛹越冬。

  成虫白天隐蔽在叶背面或荫蔽物下,夜晚交尾、产卵。卵多产于杨树叶部,块状,每块约300~400粒,每头雌虫可产500粒左右。初孵幼虫群集叶面啃食表皮,呈箩网状,稍大分散取食整个杨树叶片,仅留叶脉和叶柄。7~8月高温多雨季节危害最严重,常将叶片吃光。幼虫行动迟缓,白天多伏于树干粗皮裂缝或树杈间,夜晚上树吃叶。老熟幼虫吐丝缀叶并在其中化蛹。最后一代老熟幼虫大多爬到树皮缝隙、枯叶、枯草墙角或地面表土下吐丝结薄茧化蛹越冬。

  杨树食叶害虫繁殖力强,且主要以杨树叶为食,在很大程度上影响了树木的生长,危害严重时,能够导致整块树林叶片全部被吃光,对当地生态环境和自然环境会造成一定程度的破坏。“不过,这些杨树害虫基本上不危害庄稼,目前也没发现它们对其他树种有较大的危害。”叶如意说。

  

  谁受益、谁防治

  要像管理农作物一样管理林木

  

  杨树害虫泛滥成灾,林农如何进行防治?叶如意称,我市林业部门按照“谁经营、谁管理”的原则,将加大虫害防治的宣传,提高林农防治虫害的积极性,通过专业指导,使林农掌握有效防治虫害的方法。具体来说,目前林农可采用以下方法开展虫害防治。

  害虫的蛹一般存在地表下10厘米左右,每年冬春季节,林农可以沿树干周围翻土深20厘米左右,可把蛹翻出冻死,也可增加鸟类取食蛹的机会,也可人工拣出把蛹消灭,这样就在某些程度上减少了虫源。

  对1~3年生且危害较重的小杨树,林农可采用背负式喷雾器,用长竹竿延长喷雾器药杆,喷施1.2%苦烟乳油(1500倍液)、灭幼脲(1500~2000倍液)、噻虫啉(3000~4000倍液)或菊酯类杀虫剂(2000倍液)。 

  对3年生以上的大杨树可采用10%~20%浓度的内吸性的甲维盐或有机磷农药,如氧化乐果、乙酰甲氨磷等对树干注射施药。

  对于大型林场,可购置高压喷雾装置,用苦烟乳油、灭幼脲500倍或敌敌畏100倍配加高效氯氰菊酯1000倍混剂,使用高压喷雾装置作低溶量喷雾。

  杨树食叶害虫的成虫一般具有趋光性,林农可采用灯光诱杀成虫的方法,降低下一代的虫口密度。

  此外,杨小舟蛾、杨扇舟蛾等害虫的卵成块状,初孵幼虫具有群集性,可组织人力对卵块和虫苞进行摘除。

  叶如意表示,目前,市政府投入资金进行的飞机防治只是抓好宁洛高速、大广高速、永登高速、周商高速、国道、省道、大中型河道两侧树木和城市防护林、生态公益林的防治工作,飞防面积占全市杨树面积的10%左右。对小型路林、农田林网、小型片林和围村林,则按照“谁经营、谁管理、谁受益、谁防治”的原则,实行群防群治和专业队防治相结合的方式进行防治。

  目前虽然我市个别地方虫害非常严重,但还有防治的必要性,因为害虫还在繁殖。“我们要像管理农作物一样管理林木,只有这样,才能取得防治杨树害虫的胜利。”

下一篇 4  
放大 缩小 默认
 
本网站所刊登的各种新闻﹑专题、专栏等信息资料,均为中华龙都网版权所有,未经中华龙都网授权,请勿转载或建立镜像。
  Copyright © 2000-2006 Www . zhld .com All Rights Reserved.
   第01版:要闻
   第02版:锐评观点
   第03版:时政要闻
   第04版:城事社区
   第05版:记者进社区
   第06版:综合新闻
   第07版:特别报道
   第08版:国内综览
   第09版:国际综览
   第10版:国际深读
   第11版:文娱新闻
   第12版:文娱新闻
   第13版:体育新闻
   第14版:红尘爱情
   第15版:大众拍客 连载
   第16版:广告
   第17版:健康生活
   第18版:健康咨询
   第19版:健康提示
   第20版:为您服务
   第21版:亲子空间
   第22版:晚晴
   第23版:健康 养生
   第24版:亚当夏娃
害虫太“嚣张” 杨树成“光杆”
江南大学“手指上的中国”摄影团队走进淮阳
120急救指挥中心突击检查急救车出动质量